1 / 5
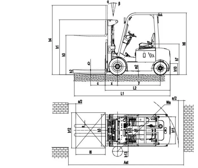
The EFL201 is a high-performance 4-wheel lithium counterbalance forklift truck with a load capacity of 2000kg. This model combines an 80V lithium battery with a robust structure, ensuring high availability for daily operations.
Designed for versatility, it features a 120mm ground clearance and a waterproof design, making it suitable for uneven surfaces and rainy weather conditions.



| Model | EFL201 | Drive | Electric (Seated) |
| Load Capacity | 2000 kg | Load Center | 500 mm |
| Service Weight | 2940 kg | Tyre Type | Solid/Rubber |
| Lift Height | 3000 mm | Overhead Guard Height | 2080 mm |
| Overall Length | 2184 mm | Overall Width | 1080 mm |
| Turning Radius | 2078 mm | Travel Speed (Laden) | 11 km/h |
| Battery Voltage | 80V / 150Ah | Max Gradeability | 12% |



The EFL201 is a reliable all-rounder forklift suitable for both indoor and outdoor environments. Its high ground clearance and water resistance make it ideal for logistics, warehousing, and rental businesses.









